当前位置: 首页>安防器材>环境探测器>漏水探测器 > TA-211

TA-211

漏水探测器

  • 对一个地面或者限定的空间进行防漏水探测的原理是,如果有浸水,水会接触到两条金属探头,水和金属都是导电物质,线路就会接通,开成一个通路信号传给处理器进行报警。

对一个地面或者限定的空间进行防漏水探测的原理是,如果有浸水,水会接触到两条金属探头,水和金属都是导电物质,线路就会接通,开成一个通路信号传给处理器进行报警。
安装调试简单,运行可靠,价格低廉;                                                                        
适用于控制任何导电液体之液面(禁止使用于挥发液体)
分体型结构,使用方便灵活


产品应用:
TA-211分体电极式液位传感器,利用液体的导电性能,可实现生产过程中的液位控制和报警。主要应用于仓库、化工、酿酒、污水处理、通讯基站、地下室等场所。


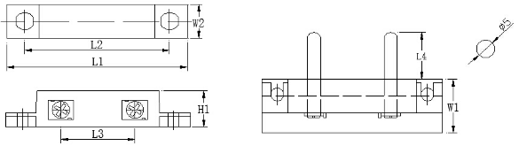
产品尺寸图:


型号

尺寸Dimensioms(mm)

TA-211

L1

L2

L3

L4

W1

W2

H1

 

63.5

52

27

14

19

12

13







产品参数表:

存储温度范围:–20~70℃
工作电压:3~24VDC
工作环境相对湿度(%):≤95%
阻抗:电极探测式触发阻抗≤3MΩ,浸水高度≥0.5mm
工作介质(纯液体)温度:0℃~+70℃
电极材料:铜电镀